88007754294
sales@remzona-parts.ru
Найти
88007754294
sales@remzona-parts.ru
Обратный звонок
Заказать запчасть
0 позиций
0 руб.
Оформить заказ
Вход
Регистрация
Найти
Каталог запасных частей
Bobcat
Шарнирно-сочлененный погрузчик
Навесное оборудование
Экскаватор–погрузчик
Мини-трактор
Мини-экскаватор
Другая техника
Мини-погрузчик
Телескопический погрузчик
Дизельные автомобили
Электрокар
Doosan
Бульдозеры
Экскаваторы
Колесные погрузчики
Погрузчики с бортовым поворотом
Лесотехнические машины
Самосвалы Moxy
Быстросъем
Навесное оборудование
Специальное исполнение
Прочие запчасти (другие)
EP Equipment
Запчасти для ТО
Шины для спецтехники
Гусеницы для спецтехники
Навесное оборудование
Прицепы для перевозки мини-спецтехники
Дополнительное оборудование
Новости
Ремонт и сервис
О проекте
Проект Ремзона
Оптовикам
Поставщикам
Регионам
Отзывы
Акции
Статьи
Контакты
Помощь
Как оформить заказ
Оплата
Доставка
Поиск запасных частей
Возврат деталей
Авторизация
Войти
Забыли пароль?
Регистрация
Обратный звонок
Главная
Каталог запасных частей
Каталог запасных частей Bobcat
Мини-погрузчик
Bobcat 600s
600
495011001 И ВЫШЕ, 495111001 И ВЫШЕ, 495211001 И ВЫШЕ, 495611001 И ВЫШЕ, 496011001 И ВЫШЕ, 498911001 И ВЫШЕ
АКСЕСCУАРЫ И ОПЦИИ
АКСЕСCУАРЫ И ОПЦИИ на Bobcat 600s Bobcat600495011001 И ВЫШЕ, 495111001 И ВЫШЕ, 495211001 И ВЫШЕ, 495611001 И ВЫШЕ, 496011001 И ВЫШЕ, 498911001 И ВЫШЕ
Ничего не найдено
КОМПЛЕКТ ГЕНЕРАТОРА ПЕРЕМЕННОГО ТОКА
КОМПЛЕКТ ВСПОМОГАТЕЛЬНОГО ГИДРАВЛИЧЕСКОГО РЕГУЛЯТОРА СМОНТИРОВАННЫЙ НА РАМЕ - БЛОК УПРАВЛЕНИЯ
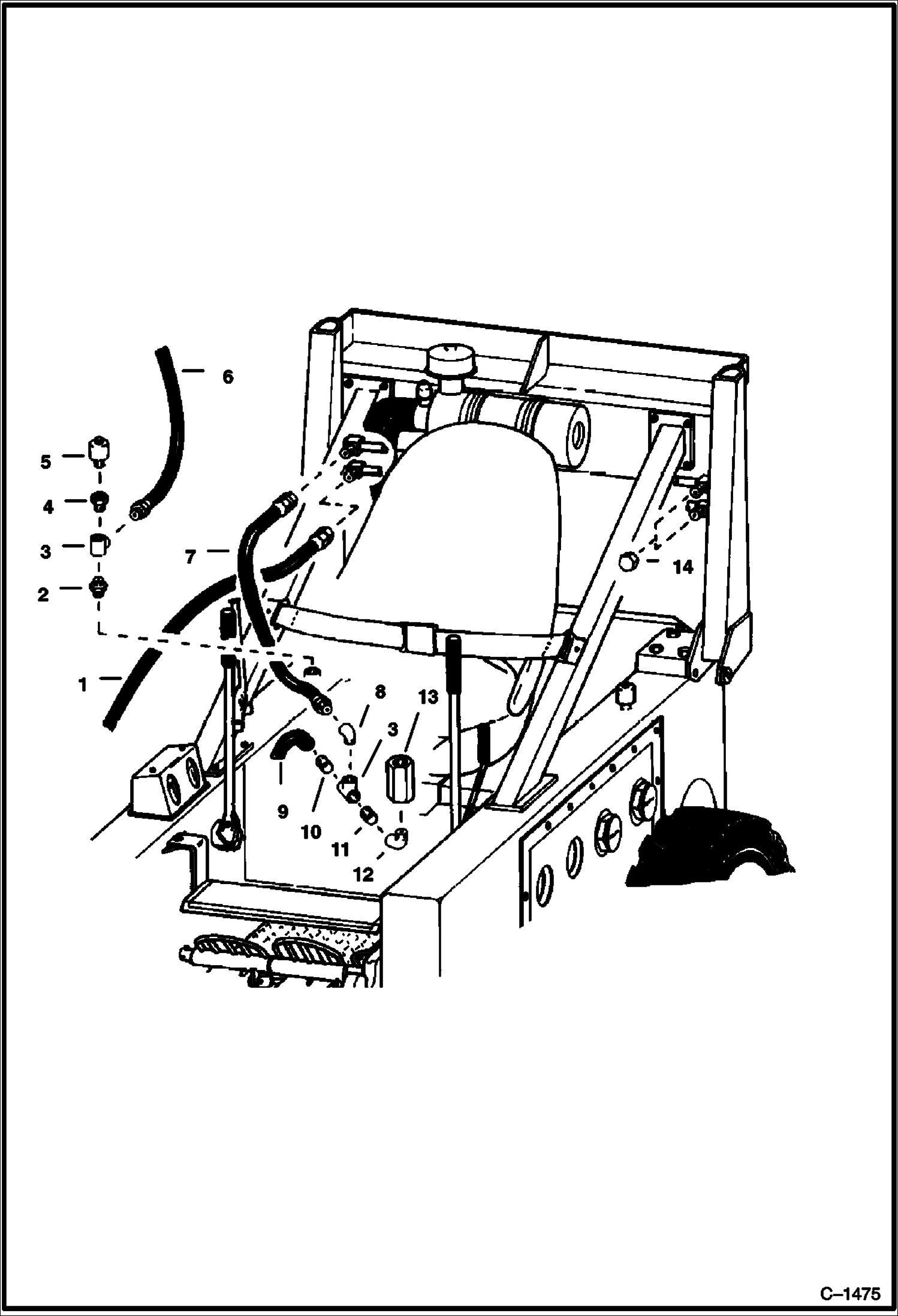
ВСПОМОГАТЕЛЬНАЯ ГИДРОСИСТЕМА УСТАНОВКА СТРЕЛЫ - БЛОК УПРАВЛЕНИЯ
ВСПОМОГАТЕЛЬНЫЕ ГИДРОЛИНИИ СМОНТИРОВАННЫЙ НА РАМЕ - 2 БЛОКА УПРАВЛЕНИЯ
ОСЬ И ТОРМОЗ В СБОРЕ
КОМПЛЕКТ УПЛОТНЕНИЙ ОСИ
СИГНАЛ ЗАДНЕГО ХОДА
ТОРМОЗА
ТОРМОЗА И КРЕПЕЖНЫЕ ДЕТАЛИ
КОРПУС КАБИНЫ
НАКЛЕЙКИ
ОГНЕТУШИТЕЛЬ
ПРОБЛЕСКОВЫЕ ФАРЫ И ЭЛЕКТРОСХЕМЫ
ПАНЕЛЬ ПОЛА
ОТВОДНОЙ СЦЕПНОЙ ПРИБОР
КЛАКСОН И ЭЛЕКТРОСХЕМЫ
ОСТАНОВ ПОДЪЕМНОЙ РУКОЯТИ
ПОДЪЕМНЫЙ КРЮК
ПРОЖЕКТОРЫ
ПОГРУЗЧИК БАЛАНСОВОЙ ДРЕВЕСИНЫ И КРЕПЕЖНЫЕ ДЕТАЛИ
ГЛУШИТЕЛЬ-ОЧИСТИТЕЛЬ
КОМПЛЕКТ ОПОРЫ СИДЕНЬЯ
КАСКА С ЗАЩИТОЙ ОТ ШУМА
СТРОБОСКОПЫ ЯНТАРНЫЙ - 2414ALW
СТРОБОСКОПЫ ЯНТАРНЫЙ - 3414ALW
КОМПЛЕКТ ИЗ ТРЕХ ПЕДАЛЕЙ
КОЛЕСНАЯ ЗАЩИТА
ШИНЫ И ДИСКИ
СХЕМА ГИДРАВЛИЧЕСКОЙ СИСТЕМЫ ФРОНТАЛЬНОГО ПОГРУЗЧИКА
ФРОНТАЛЬНЫЙ ПОГРУЗЧИК
ВЕРТИКАЛЬНАЯ МАЧТА
ЦИЛИНДРА НАКЛОНА ФРОНТАЛЬНЫЙ ПОГРУЗЧИК
ГИДРОЦИЛИНДР ПОДЪЕМА ФРОНТАЛЬНЫЙ ПОГРУЗЧИК
ЩЕТКА СТЕКЛООЧИСТИТЕЛЯ
КРУПНОГАБАРИТНЫЕ ПРЕДМЕТЫ СМ. В ПРИМЕЧАНИИ