88007754294
sales@remzona-parts.ru
Найти
88007754294
sales@remzona-parts.ru
Обратный звонок
Заказать запчасть
0 позиций
0 руб.
Оформить заказ
Вход
Регистрация
Найти
Каталог запасных частей
Bobcat
Шарнирно-сочлененный погрузчик
Навесное оборудование
Экскаватор–погрузчик
Мини-трактор
Мини-экскаватор
Другая техника
Мини-погрузчик
Телескопический погрузчик
Дизельные автомобили
Электрокар
Doosan
Бульдозеры
Экскаваторы
Колесные погрузчики
Погрузчики с бортовым поворотом
Лесотехнические машины
Самосвалы Moxy
Быстросъем
Навесное оборудование
Специальное исполнение
Прочие запчасти (другие)
EP Equipment
Запчасти для ТО
Шины для спецтехники
Гусеницы для спецтехники
Навесное оборудование
Прицепы для перевозки мини-спецтехники
Дополнительное оборудование
Новости
Ремонт и сервис
О проекте
Проект Ремзона
Оптовикам
Поставщикам
Регионам
Отзывы
Акции
Статьи
Контакты
Помощь
Как оформить заказ
Оплата
Доставка
Поиск запасных частей
Возврат деталей
Авторизация
Войти
Забыли пароль?
Регистрация
Обратный звонок
Главная
Каталог запасных частей
Каталог запасных частей Bobcat
Мини-погрузчик
Bobcat 500s
543
502412001 И ВЫШЕ
ЗАПЧАСТИ ДВИГАТЕЛЯ
ЗАПЧАСТИ ДВИГАТЕЛЯ на Bobcat 500s Bobcat543502412001 И ВЫШЕ
Ничего не найдено
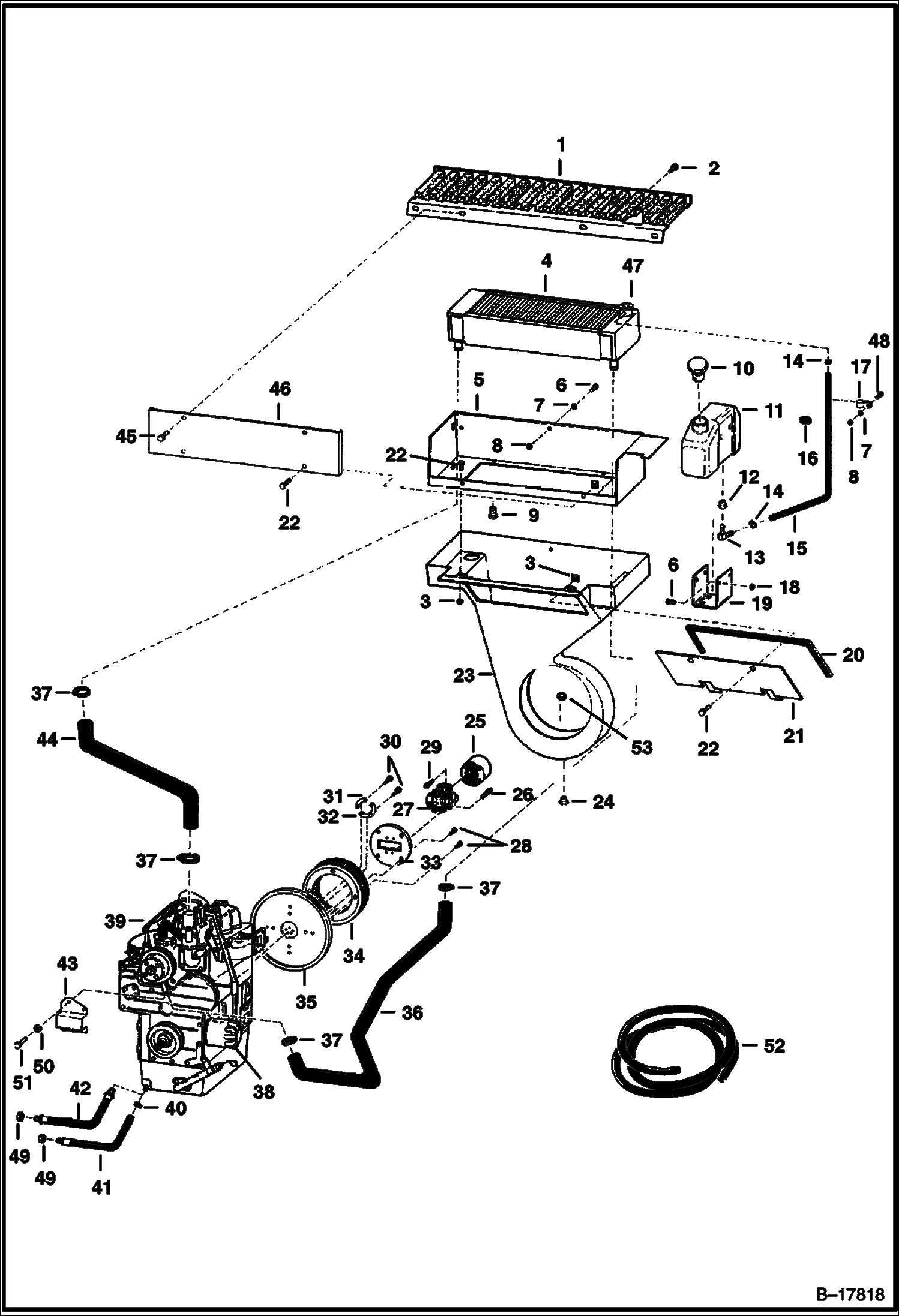
ДВИГАТЕЛЬ И КРЕПЕЖНЫЕ ДЕТАЛИ
ДРОССЕЛЬНАЯ ЗАСЛОНКА И ВОЗДУШНАЯ ЗАСЛОНКА
КАРДАННЫЙ ШАРНИР
ДВИГАТЕЛЬ И КОМПЛЕКТ ПРОКЛАДОК (KUBOTA D950-B)
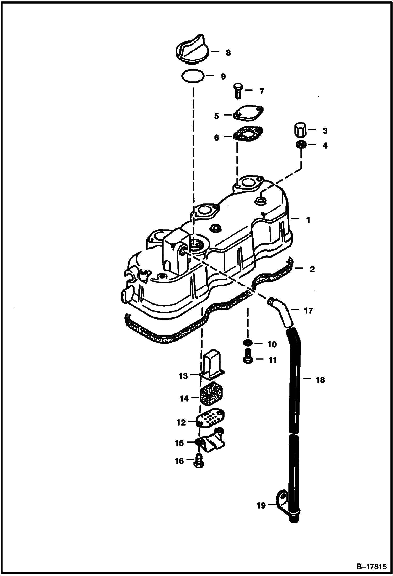
КРЫШКА КОРОМЫСЛА КЛАПАНА
КОРОМЫСЛО КЛАПАНА И КЛАПАНЫ
ГОЛОВКА БЛОКА ЦИЛИНДРОВ
МАСЛЯНЫЙ ПОДДОН
РЕДУКТОР
КАРТЕР ДВИГАТЕЛЯ
ПОРШНИ И КОЛЕНВАЛ
ОСНОВНОЙ КОРПУС ПОДШИПНИКА
РАСПРЕДВАЛ
ТОПЛИВНЫЙ РАСПРЕДЕЛИТЕЛЬНЫЙ ВАЛ
СТОПОРНАЯ РУКОЯТКА
РЕГУЛЯТОР ОБОРОТОВ
ТАБЛИЧКА РЕГУЛЯТОРА СКОРОСТИ
ВОДЯНАЯ ПОМПА
ВОДЯНОЙ ФЛАНЕЦ И ТЕРМОСТАТ
КОЛЛЕКТОР
ФИЛЬТР ДЛЯ ТОПЛИВА
ТОПЛИВНАЯ СИСТЕМА И НАСОС ВПРЫСКА
ТОПЛИВНЫЙ НАСОС
ФОРСУНКИ
ДЕРЖАТЕЛЬ ФОРСУНКИ
ВОЗДУШНЫЙ ФИЛЬТР