88007754294
sales@remzona-parts.ru
Найти
88007754294
sales@remzona-parts.ru
Обратный звонок
Заказать запчасть
0 позиций
0 руб.
Оформить заказ
Вход
Регистрация
Найти
Каталог запасных частей
Bobcat
Шарнирно-сочлененный погрузчик
Навесное оборудование
Экскаватор–погрузчик
Мини-трактор
Мини-экскаватор
Другая техника
Мини-погрузчик
Телескопический погрузчик
Дизельные автомобили
Электрокар
Doosan
Бульдозеры
Экскаваторы
Колесные погрузчики
Погрузчики с бортовым поворотом
Лесотехнические машины
Самосвалы Moxy
Быстросъем
Навесное оборудование
Специальное исполнение
Прочие запчасти (другие)
EP Equipment
Запчасти для ТО
Шины для спецтехники
Гусеницы для спецтехники
Навесное оборудование
Прицепы для перевозки мини-спецтехники
Дополнительное оборудование
Новости
Ремонт и сервис
О проекте
Проект Ремзона
Оптовикам
Поставщикам
Регионам
Отзывы
Акции
Статьи
Контакты
Помощь
Как оформить заказ
Оплата
Доставка
Поиск запасных частей
Возврат деталей
Авторизация
Войти
Забыли пароль?
Регистрация
Обратный звонок
Главная
Каталог запасных частей
Каталог запасных частей Bobcat
Мини-погрузчик
Bobcat 500s
543
502412001 И ВЫШЕ
ЭЛЕКТРИЧЕСКАЯ СИСТЕМА
ЭЛЕКТРИЧЕСКАЯ СИСТЕМА на Bobcat 500s Bobcat543502412001 И ВЫШЕ
Ничего не найдено
ЭЛЕКТРИЧЕСКАЯ СИСТЕМА КАБИНЫ (СЕРИЙНЫЙ НОМЕР 19999 И НИЖЕ)
ЭЛЕКТРИЧЕСКАЯ СИСТЕМА КАБИНЫ (СЕРИЙНЫЙ НОМЕР 20001 ЧЕРЕЗ 22126)
ЭЛЕКТРИЧЕСКАЯ СИСТЕМА КАБИНЫ (СЕРИЙНЫЙ НОМЕР 22127 И ВЫШЕ)
ЭЛЕКТРИЧЕСКАЯ СИСТЕМА ДВИГАТЕЛЯ (СЕРИЙНЫЙ НОМЕР 25462 И НИЖЕ)
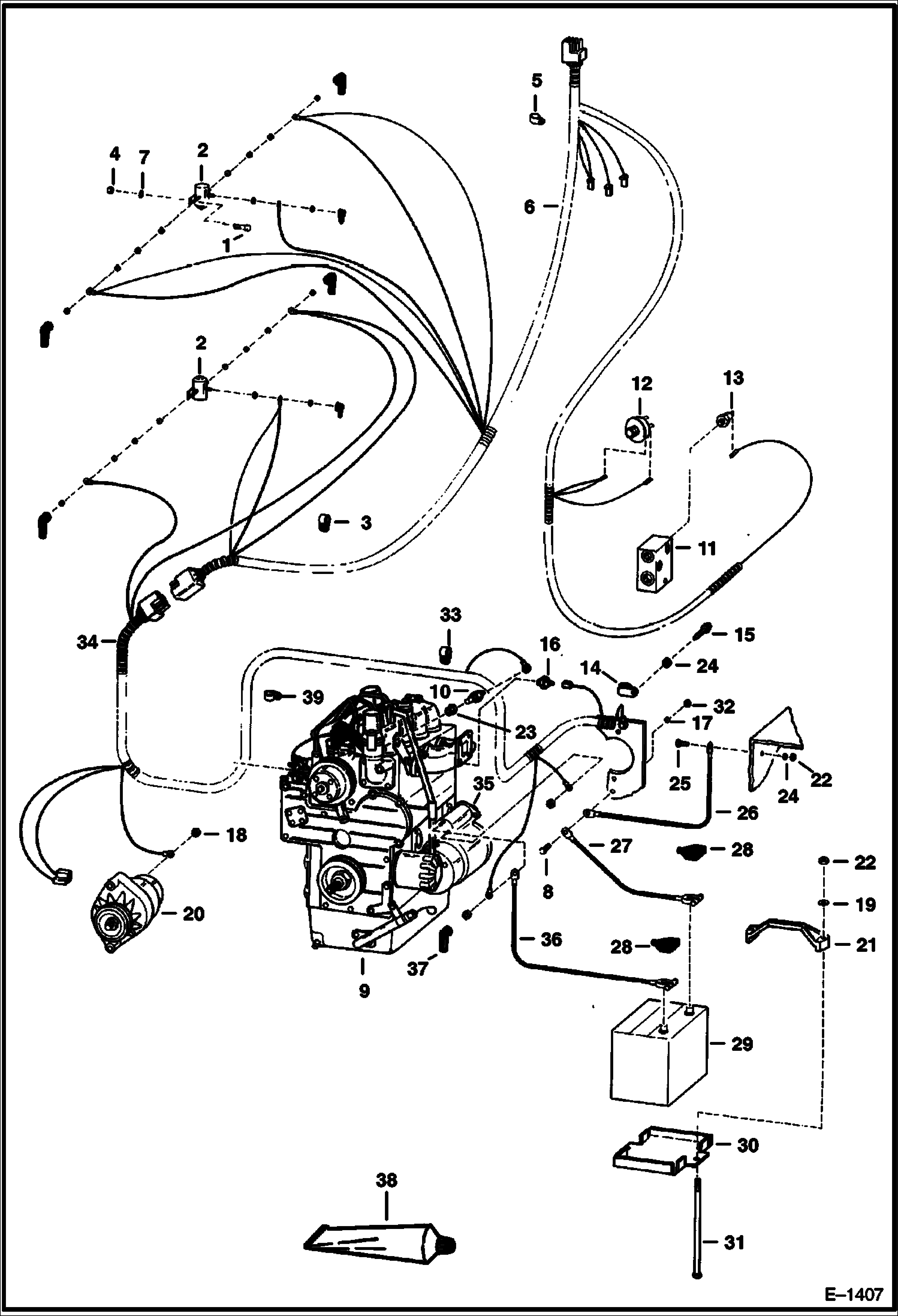
ЭЛЕКТРИЧЕСКАЯ СИСТЕМА ДВИГАТЕЛЯ (СЕРИЙНЫЙ НОМЕР 25463 И ВЫШЕ)
ГЕНЕРАТОР ПЕРЕМЕННОГО ТОКА (DELCO 1103133) (ОТКРЫТЫЙ)
ГЕНЕРАТОР ПЕРЕМЕННОГО ТОКА (DELCO 1105070 ИЛИ 1105422) (ОТКРЫТЫЙ)
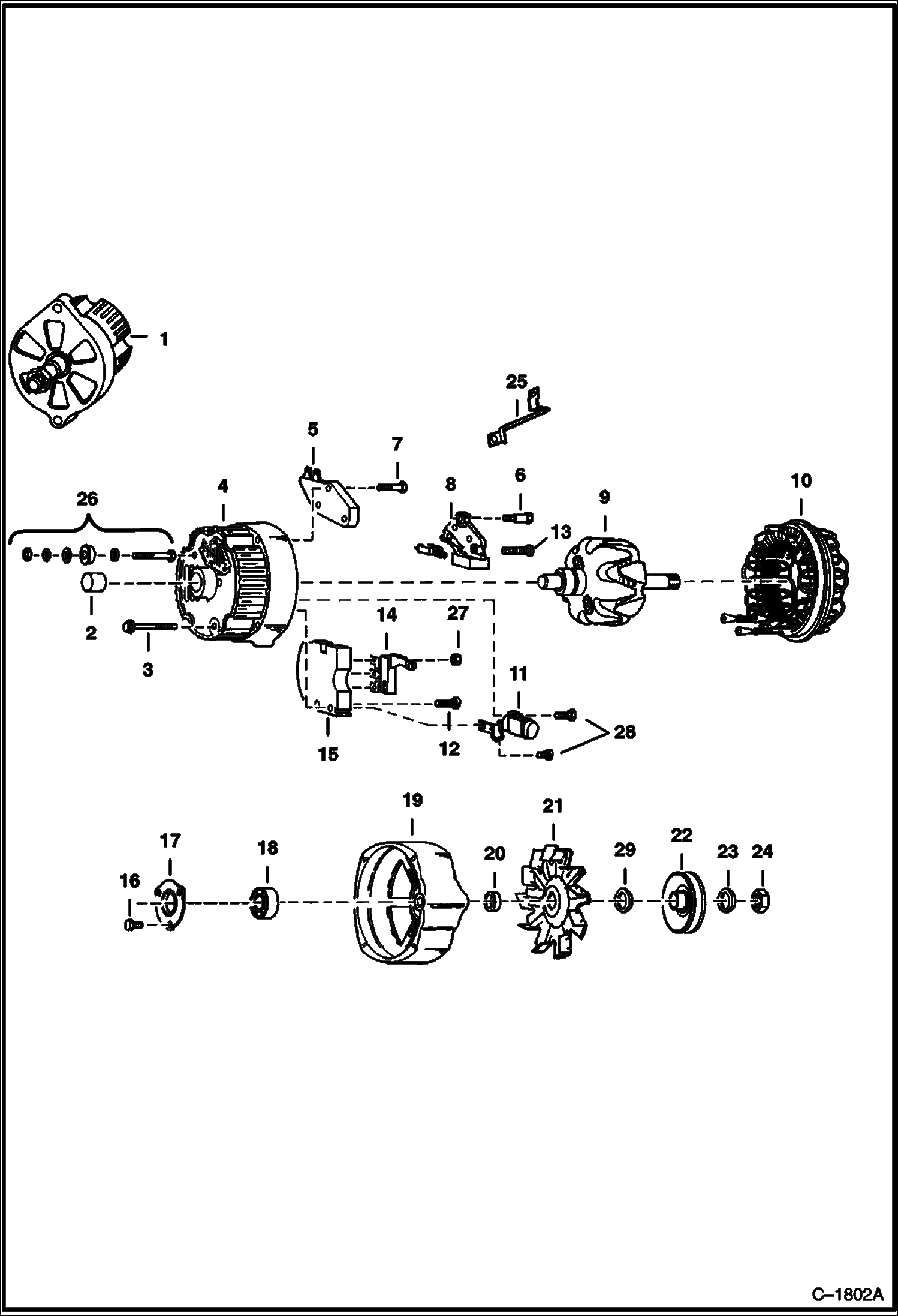
ГЕНЕРАТОР ПЕРЕМЕННОГО ТОКА (BOBCAT)
СТАРТЕР
СТАРТЕР (С УПЛОТНЕНИЕМ) (ДОПОЛНИТЕЛЬНЫЙ СТАРТЕР)