88007754294
sales@remzona-parts.ru
Найти
88007754294
sales@remzona-parts.ru
Обратный звонок
Заказать запчасть
0 позиций
0 руб.
Оформить заказ
Вход
Регистрация
Найти
Каталог запасных частей
Bobcat
Шарнирно-сочлененный погрузчик
Навесное оборудование
Экскаватор–погрузчик
Мини-трактор
Мини-экскаватор
Другая техника
Мини-погрузчик
Телескопический погрузчик
Дизельные автомобили
Электрокар
Doosan
Бульдозеры
Экскаваторы
Колесные погрузчики
Погрузчики с бортовым поворотом
Лесотехнические машины
Самосвалы Moxy
Быстросъем
Навесное оборудование
Специальное исполнение
Прочие запчасти (другие)
EP Equipment
Запчасти для ТО
Шины для спецтехники
Гусеницы для спецтехники
Навесное оборудование
Прицепы для перевозки мини-спецтехники
Дополнительное оборудование
Новости
Ремонт и сервис
О проекте
Проект Ремзона
Оптовикам
Поставщикам
Регионам
Отзывы
Акции
Статьи
Контакты
Помощь
Как оформить заказ
Оплата
Доставка
Поиск запасных частей
Возврат деталей
Авторизация
Войти
Забыли пароль?
Регистрация
Обратный звонок
Главная
Каталог запасных частей
Каталог запасных частей Bobcat
Мини-экскаватор
Bobcat 430
562511001 И ВЫШЕ, 562711001 И ВЫШЕ
ГИДРАВЛИКА
ГИДРОСТАТИЧЕСКАЯ СИСТЕМА
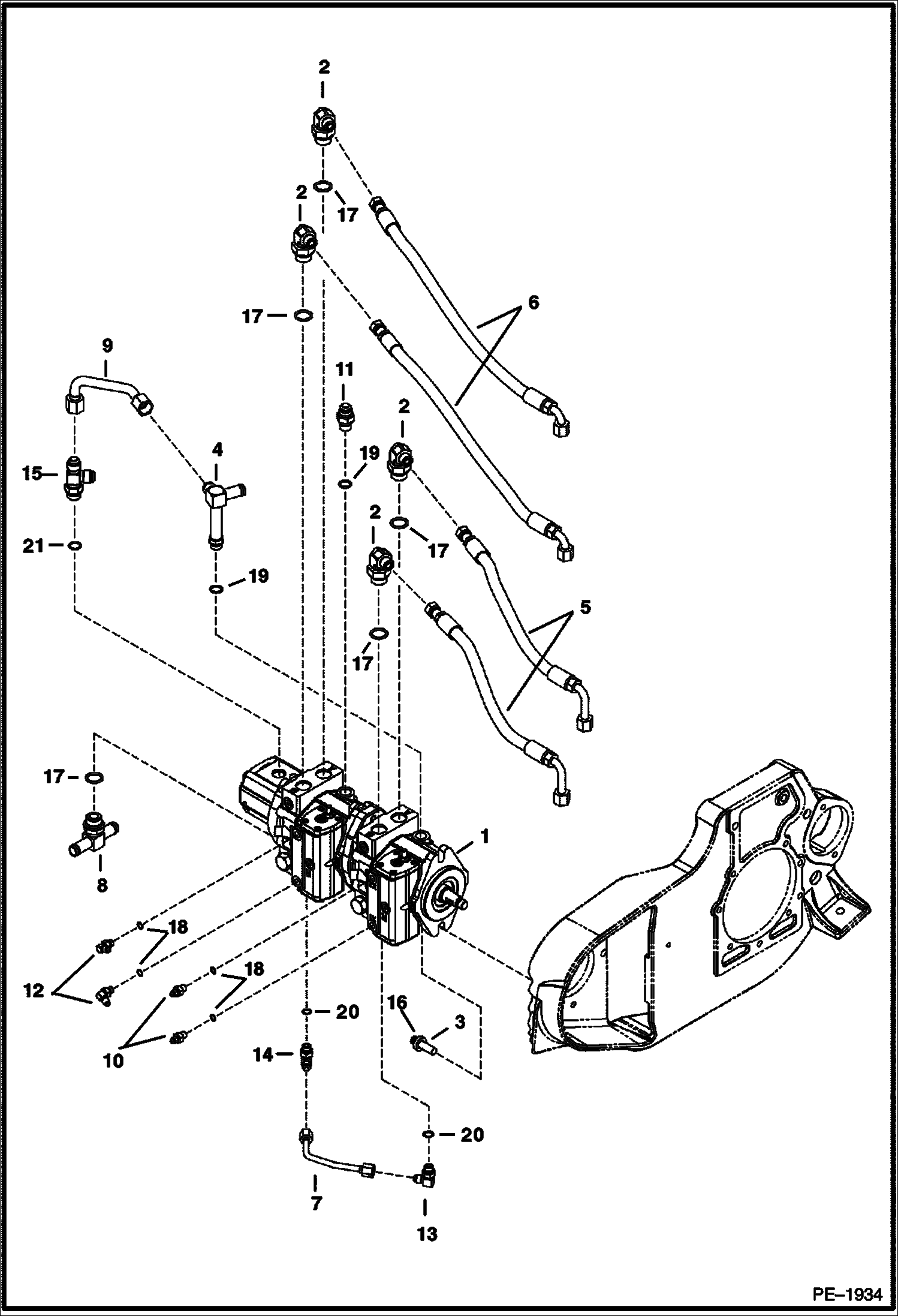
ГИДРОСТАТИЧЕСКАЯ СИСТЕМА на Bobcat 430 Bobcat562511001 И ВЫШЕ, 562711001 И ВЫШЕГИДРАВЛИКА
Ничего не найдено
СХЕМА ГИДРАВЛИЧЕСКОЙ СИСТЕМЫ (ВЕРХНИЙ)
ГИДРАВЛИКА/СХЕМА ГИДРОСТАТИЧЕСКОЙ СИСТЕМЫ (НИЖНИЙ)
СХЕМА ГИДРАВЛИЧЕСКОЙ СИСТЕМЫ (ГИДРОПРИВОДНЫЙ НАСОС)
СХЕМА ГИДРАВЛИЧЕСКОЙ СИСТЕМЫ (КОЛЛЕКТОР)
СХЕМА ГИДРАВЛИЧЕСКОЙ СИСТЕМЫ (ФУНКЦИОНАЛЬНЫЕ ШЛАНГИ)
СХЕМА ГИДРАВЛИЧЕСКОЙ СИСТЕМЫ (РАБОЧАЯ)
СХЕМА ГИДРАВЛИЧЕСКОЙ СИСТЕМЫ (КАМЕРА ОХЛАЖДЕНИЯ/ФИЛЬТР)
СХЕМА ГИДРАВЛИЧЕСКОЙ СИСТЕМЫ (НАПРАВЛЯЮЩЕЕ УСТРОЙСТВО)
КОЛЛЕКТОР
ФИЛЬТР ГИДРОСТАТИЧЕСКОГО МАСЛА
ПОРШНЕВОЙ ГИДРОНАСОС
ПОРШНЕВОЙ ГИДРОНАСОС (ШЕСТЕРЕННЫЙ НАСОС)
ISO/STD
КЛАПАН ПЕРЕКЛЮЧЕНИЯ В СБОРЕ (ISO/STD)
КЛАПАН ПЕРЕКЛЮЧЕНИЯ (ПРЯМО В БАК)
ПРАВОСТОРОННИЙ ДЖОЙСТИК
ЛЕВОСТОРОННИЙ ДЖОЙСТИК
ЛЕВОСТОРОННИЙ ДЖОЙСТИК (РУКОВОДСТВО УПРАВЛЕНИЯ УСТРОЙСТВОМ)
ДЖОЙСТИК ХОДА
ХОДОВОЙ ГИДРОМОТОР
ХОДОВОЙ ГИДРОМОТОР (РОТОР В СБОРЕ)
ХОДОВОЙ ГИДРОМОТОР (НАГНЕТАТЕЛЬНЫЙ КЛАПАН)
ХОДОВОЙ ГИДРОМОТОР (УПЛОТНИТЕЛЬНЫЕ КОЛЬЦА)
ГИДРОМОТОР ПОВОРОТА ПЛАТФОРМЫ
ЭЛЕКТРОДВИГАТЕЛЬ ВЕНТИЛЯТОРА
ГИДРАВЛИЧЕСКИЙ РЕГУЛИРУЮЩИЙ КЛАПАН
СЕКЦИЯ РАСПРЕДЕЛИТЕЛЯ (ФУНКЦИЯ ПОВОРОТА)
СЕКЦИЯ РАСПРЕДЕЛИТЕЛЯ (ОТВАЛ)
СЕКЦИЯ РАСПРЕДЕЛИТЕЛЯ (НАДУВ)
СЕКЦИЯ РАСПРЕДЕЛИТЕЛЯ (ВСПОМОГАТЕЛЬНОЕ УСТРОЙСТВО)
СЕКЦИЯ РАСПРЕДЕЛИТЕЛЯ (КОВШ)
СЕКЦИЯ РАСПРЕДЕЛИТЕЛЯ (РУКОЯТЬ)
СЕКЦИЯ РАСПРЕДЕЛИТЕЛЯ (СТРЕЛА)
СЕКЦИЯ РАСПРЕДЕЛИТЕЛЯ (ПОВОРОТ СТРЕЛЫ)
КОРПУС МОТОРА ХОДА
СХЕМА ГИДРОСТАТИЧЕСКОЙ СИСТЕМЫ (ГИДРОСТАТИЧЕСКИЙ НАСОС)
ГИДРОСТАТИЧЕСКИЙ НАСОС (УЗЕЛ)
ГИДРОСТАТИЧЕСКИЙ НАСОС (ПЕРЕДНИЙ)
ГИДРОСТАТИЧЕСКИЙ НАСОС (ПОРШЕНЬ И РЕГУЛИРУЮЩЕЕ УСТРОЙСТВО)
ГИДРОСТАТИЧЕСКИЙ НАСОС (ЗАДНИЙ НАСОС) (ДЕРЖАТЕЛЬ ТАБЛИЧКИ НАСОСА)
ГИДРОСТАТИЧЕСКИЙ НАСОС (ПЕРЕДНИЙ НАСОС) (ДЕРЖАТЕЛЬ ТАБЛИЧКИ НАСОСА)
ГИДРОСТАТИЧЕСКИЙ НАСОС (РАСПРЕДЕЛИТЕЛЬНАЯ КРЫШКА ПЕРЕДНЕГО НАСОСА)
ГИДРОСТАТИЧЕСКИЙ НАСОС (ЗАДНИЙ)
ГИДРОСТАТИЧЕСКИЙ НАСОС (РАСПРЕДЕЛИТЕЛЬНАЯ КРЫШКА ПЕРЕДНЕГО НАСОСА)
ГИДРОСТАТИЧЕСКИЙ НАСОС (КЛАПАНЫ И ЗАГЛУШКИ)
ГИДРОСТАТИЧЕСКИЙ НАСОС (ШЕСТЕРЕННЫЙ НАСОС)
ГИДРАВЛИЧЕСКИЙ БАК
ПОВОРОТНОЕ СОЕДИНЕНИЕ
ЦИЛИНДР РУКОЯТИ
ЦИЛИНДР РАЗДВИЖНОЙ РУКОЯТИ
ЦИЛИНДР ОТВАЛА
ЦИЛИНДР СТРЕЛЫ
ЦИЛИНДР КОВША
ЦИЛИНДР КОВША (ВЫДВИЖНАЯ РУКОЯТЬ)
ЦИЛИНДР ПОВОРОТА