8 (800) 2000-919
пн-чт 09:00 - 18:00, пт 9:00 - 17:00
sales@remzona-parts.ru
Найти
8 (800) 2000-919
8 (800) 511-41-85
sales@remzona-parts.ru
пн-чт 09:00 - 18:00, пт 9:00 - 17:00
Обратный звонок
Заказать запчасть
0 позиций
0 руб.
Оформить заказ
Вход
Регистрация
Найти
Каталог запасных частей
Bobcat
Шарнирно-сочлененный погрузчик
Навесное оборудование
Экскаватор–погрузчик
Мини-трактор
Мини-экскаватор
Другая техника
Мини-погрузчик
Телескопический погрузчик
Дизельные автомобили
Электрокар
Doosan
Бульдозеры
Экскаваторы
Колесные погрузчики
Погрузчики с бортовым поворотом
Лесотехнические машины
Самосвалы Moxy
Быстросъем
Навесное оборудование
Специальное исполнение
Прочие запчасти (другие)
EP Equipment
Запчасти для ТО
Шины для спецтехники
Гусеницы для спецтехники
Навесное оборудование
Прицепы для перевозки мини-спецтехники
Дополнительное оборудование
Новости
Ремонт и сервис
О проекте
Проект Ремзона
Оптовикам
Поставщикам
Регионам
Отзывы
Акции
Статьи
Контакты
Помощь
Как оформить заказ
Оплата
Доставка
Поиск запасных частей
Возврат деталей
Авторизация
Войти
Забыли пароль?
Регистрация
Обратный звонок
Главная
Каталог запасных частей
Каталог запасных частей Bobcat
Шарнирно-сочлененный погрузчик
Bobcat AL275
ADBH11001 И ВЫШЕ
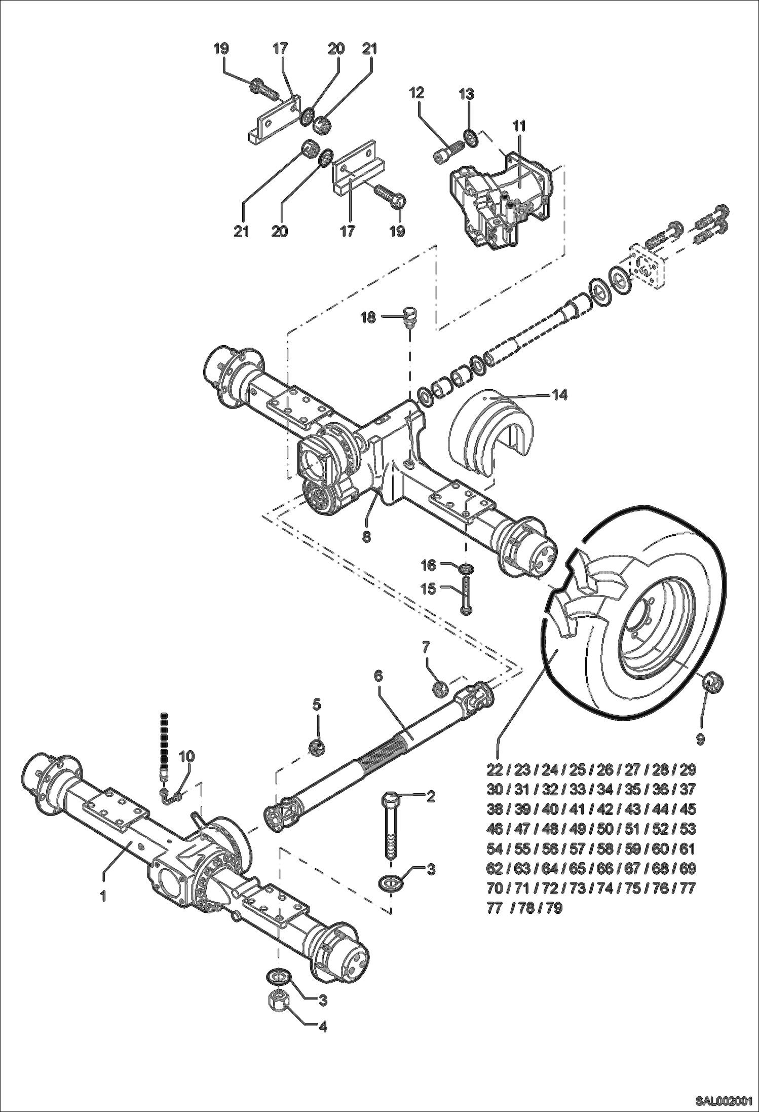
ХОДОВАЯ СИСТЕМА
ХОДОВАЯ СИСТЕМА на шарнирно-сочлененный погрузчик Bobcat AL275ADBH11001 И ВЫШЕ
Ничего не найдено
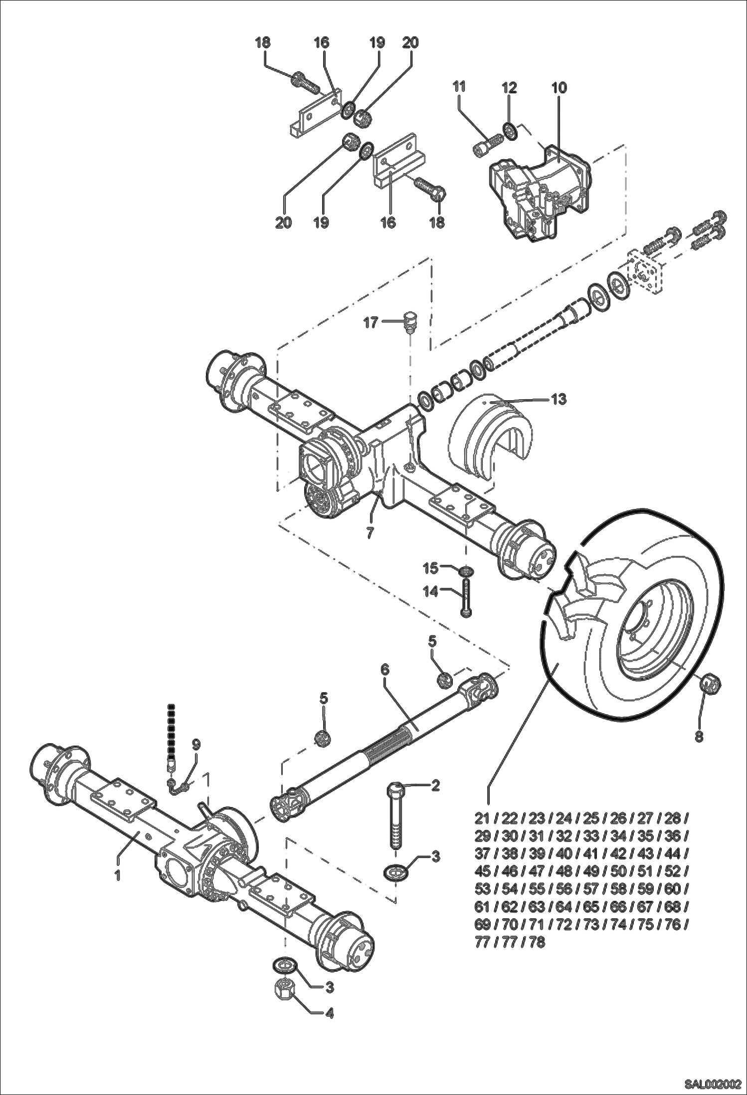
ОСЬ, ШИНЫ
ОСЬ, ШИНЫ 36 КМ/Ч ВЕРСИЯ С БЫСТРЫМ ХОДОМ